Latch and Flip-Flops

RS Flip-Flop

Circuit Diagram

SR Latch Circuit Diagram

Figure 1: Basic RS Flip-Flop circuit diagram using two cross-coupled NOR gates. Reference: Theory section

Components Available in Simulation

  • Pre-built RS Flip-Flop component
  • Input sources (S, R, CLK)
  • Output displays (Q, Q')

Simulation Instructions

  1. Select RS Flip-Flop tab in the simulation interface.
  2. Observe the pre-built RS Flip-Flop component displayed in the working area.
  3. Set input values for S (Set) and R (Reset) using the input controls.
  4. Toggle the clock signal if available to observe synchronous behavior.
  5. Observe the outputs Q and Q' and verify they follow the RS flip-flop truth table.
  6. Test different input combinations:
    • S=0, R=0: Hold state
    • S=1, R=0: Set (Q=1)
    • S=0, R=1: Reset (Q=0)
    • S=1, R=1: Invalid state (avoid this)
  7. Click "Simulate" to run the simulation and observe the behavior.

Learning Objectives

  • Understand RS flip-flop operation through interactive simulation
  • Observe the relationship between inputs (S, R) and outputs (Q, Q')
  • Learn about the invalid state condition
  • Visualize the memory function of flip-flops

D Flip-Flop

Circuit Diagram

D Flip-Flop Circuit Diagram

Figure 2: D Flip-Flop circuit diagram showing data input with clock control for synchronous operation. Reference: Theory section

Components Available in Simulation

  • Pre-built D Flip-Flop component
  • Input sources (D, CLK)
  • Output displays (Q, Q')

Simulation Instructions

  1. Select D Flip-Flop tab in the simulation interface.
  2. Observe the pre-built D Flip-Flop component displayed in the working area.
  3. Set the D input value using the input control (0 or 1).
  4. Apply clock pulses using the clock control to trigger the flip-flop.
  5. Observe the outputs Q and Q' after each clock edge.
  6. Verify the operation:
    • On positive clock edge: Q becomes equal to D
    • Between clock edges: Q remains stable regardless of D changes
  7. Test with different sequences:
    • Set D=1, apply clock → Q should become 1
    • Set D=0, apply clock → Q should become 0
    • Change D without clock → Q should remain unchanged
  8. Click "Simulate" to run the simulation animation.

Learning Objectives

  • Understand edge-triggered operation of D flip-flops
  • Observe data transfer from input to output on clock edges
  • Learn about synchronous digital system behavior
  • Visualize how D flip-flops eliminate invalid states

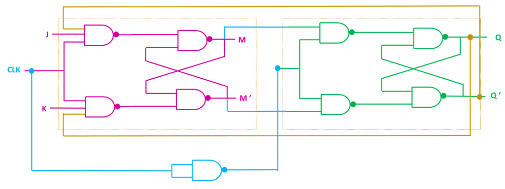
JK Flip-Flop

Circuit Diagram

Master-Slave JK Flip-Flop Circuit Diagram

Figure 3: Master-Slave JK Flip-Flop circuit diagram showing master and slave latches for race-condition elimination. Reference: Theory section

Components Available in Simulation

  • Pre-built JK Flip-Flop component
  • Input sources (J, K, CLK)
  • Output displays (Q, Q')

Simulation Instructions

  1. Select JK Flip-Flop tab in the simulation interface.
  2. Observe the pre-built JK Flip-Flop component displayed in the working area.
  3. Set input values for J and K using the input controls.
  4. Apply clock pulses using the clock control to trigger the flip-flop.
  5. Observe the outputs Q and Q' after each clock edge.
  6. Test all four operations:
    • Hold: J=0, K=0 → Q remains unchanged
    • Set: J=1, K=0 → Q becomes 1
    • Reset: J=0, K=1 → Q becomes 0
    • Toggle: J=1, K=1 → Q changes to its complement
  7. Verify edge-triggered behavior: Changes occur only on clock transitions.
  8. Click "Simulate" to run the simulation animation.

Learning Objectives

  • Understand the versatility of JK flip-flops (all four operations)
  • Observe how JK flip-flops eliminate the invalid state problem
  • Learn about toggle operation for counter applications
  • Visualize master-slave operation preventing race conditions

T Flip-Flop

Circuit Diagram

T Flip-Flop Circuit Diagram

Figure 4: T Flip-Flop circuit diagram implemented using JK Flip-Flop with J and K inputs tied together. Reference: Theory section

Components Available in Simulation

  • Pre-built T Flip-Flop component
  • Input sources (T, CLK)
  • Output displays (Q, Q')

Simulation Instructions

  1. Select T Flip-Flop tab in the simulation interface.
  2. Observe the pre-built T Flip-Flop component displayed in the working area.
  3. Set the T input value using the input control (0 or 1).
  4. Apply clock pulses using the clock control to trigger the flip-flop.
  5. Observe the outputs Q and Q' after each clock edge.
  6. Test both operations:
    • Hold: T=0 → Q remains unchanged after clock edge
    • Toggle: T=1 → Q changes to its complement after clock edge
  7. Observe frequency division: When T=1, output frequency is half the clock frequency.
  8. Click "Simulate" to run the simulation animation.

Learning Objectives

  • Understand toggle operation and its applications
  • Observe frequency division property (output = clock ÷ 2)
  • Learn how T flip-flops are used in counters
  • Visualize the relationship between T flip-flops and JK flip-flops

General Simulation Tips

  • Tab Selection: Click on the tabs (RS Flip-Flop, D Flip-Flop, JK Flip-Flop, T Flip-Flop) to switch between different flip-flop demonstrations.
  • Input Controls: Use the provided input controls to set values for inputs like S, R, D, J, K, T.
  • Clock Control: Use the clock control to apply clock pulses and observe edge-triggered behavior.

Simulation Features

  • Visual Animation: Each simulation provides visual animations showing the flip-flop operation.
  • Real-time Output: Observe how outputs change in response to input changes and clock edges.
  • Interactive Learning: Experiment with different input combinations to understand flip-flop behavior.

Learning Approach

  1. Start with RS Flip-Flop: Understand basic latch operation and memory function.
  2. Progress to D Flip-Flop: Learn about edge-triggered operation and data storage.
  3. Explore JK Flip-Flop: Understand the versatile four-operation capability.
  4. Finish with T Flip-Flop: Learn about toggle operation and frequency division.

Troubleshooting

  • No Animation: Ensure you've clicked the "Simulate" button after setting inputs.
  • Unexpected Output: Verify input settings and check if you're applying clock edges correctly.
  • Interface Issues: Try refreshing the page if the simulation interface becomes unresponsive.