Washing machine control using basic AND & NOT gates

What inputs are required so that the combinational logic circuit in a washing machine triggers the alarm at output Y?
Explanation

Explanation

Explanation

Explanation

Explanation

Explanation

Explanation

Explanation

The following AND-NOT circuit is used as a part of a drive spindle motor. The circuit is designed such that the motor turns ON when Drive= 1. Determine the input conditions necessary to turn ON the motor.
Explanation

Explanation

Explanation

Explanation

Explanation

Explanation

Explanation

Explanation

Which of the following statements best describes the working of the following circuit?
Explanation

Explanation

Explanation

Explanation

Explanation

Explanation

Explanation

Explanation

Which of the boolean expression is true for the washing machine circuit shown below?
Explanation

Explanation

Explanation

Explanation

Explanation

Explanation

Explanation

Explanation

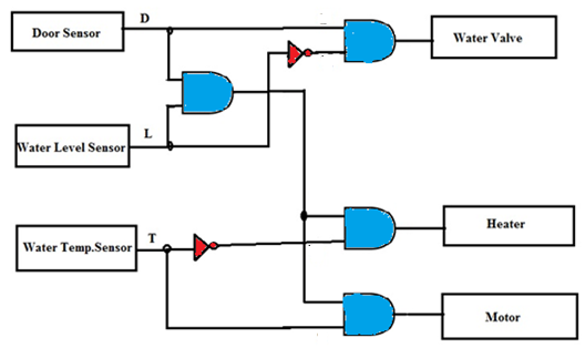
State the output that is necessary to activate the Heater.
Explanation

Explanation

Explanation

Explanation

Explanation

Explanation

Explanation

Explanation