Registers

Basic Storage Register

Basic Storage Register Circuit Diagram

Figure 1: Basic Storage Register circuit diagram showing D flip-flops with common clock for synchronized data storage. Reference: Fundamental register implementation

A basic storage register is a group of flip-flops used to store binary data. Each flip-flop can store one bit of information, and multiple flip-flops are combined to create registers of desired bit-width. The most common type uses D flip-flops with a common clock signal to ensure synchronized data storage and retrieval.

Logic Operation

In a basic n-bit register using D flip-flops:

Data Storage: When the clock signal transitions (positive or negative edge), the data present at the D inputs is stored in the flip-flops and appears at the Q outputs.

Data Retention: Between clock transitions, the stored data remains stable at the outputs regardless of changes in the input data.

Logic Equations

For an n-bit register:

Qi(n+1)=Difor i=0,1,2,,n1Q_i(n+1) = D_i \quad \text{for } i = 0, 1, 2, \ldots, n-1

Where:

  • Qi(n+1)Q_i(n+1) is the next state of the i-th flip-flop
  • DiD_i is the data input to the i-th flip-flop
  • Clock edge triggers the data transfer

Key Features

  • Stores binary data temporarily for processing
  • Uses D flip-flops for reliable data storage
  • Synchronized operation with clock signal
  • Data width determined by number of flip-flops
  • Foundation for more complex sequential circuits

Truth Table (4-bit Register)

Clock Edge D₃ D₂ D₁ D₀ Q₃ Q₂ Q₁ Q₀
0 1 0 1 0 1 0 1
No Edge 1 0 1 0 0 1 0 1
1 1 0 0 1 1 0 0

Timing Characteristics

  • Setup Time: Data must be stable before clock edge
  • Hold Time: Data must remain stable after clock edge
  • Propagation Delay: Time from clock edge to output change
  • Clock Skew: Variation in clock arrival times across flip-flops

Applications

  • Temporary data storage in processors
  • Buffer registers in data paths
  • State storage in control units
  • Pipeline registers in pipelined processors

Register with Parallel Load

Register with Parallel Load Circuit Diagram

Figure 2: Register with Parallel Load circuit diagram showing control logic for selective data loading. Reference: Advanced register implementation

A register with parallel load capability includes additional control logic to selectively load new data or retain existing data. This is achieved using a LOAD control signal and multiplexers (or equivalent logic) that choose between the current stored data and new input data.

Logic Operation

The register operates in two modes based on the LOAD control signal:

LOAD = 1 (Load Mode): New data from inputs D₃D₂D₁D₀ is loaded into the register on the next clock edge.

LOAD = 0 (Hold Mode): The register retains its current contents, ignoring the input data.

Logic Equations

For each bit position ii in the register:

FF_Input[i]=LOADD[i]+LOADQ[i]\text{FF\_Input}[i] = \text{LOAD} \cdot D[i] + \overline{\text{LOAD}} \cdot Q[i]

This can be implemented using:

  • Multiplexers: Select between D[i]D[i] and Q[i]Q[i] based on LOAD signal
  • OR-AND logic: (LOADD[i])(¬LOADQ[i])(\text{LOAD} \land D[i]) \lor (\neg\text{LOAD} \land Q[i])

Key Features

  • Conditional data loading based on control signal
  • Preserves data when loading is disabled
  • Uses feedback from outputs to maintain state
  • Essential for implementing registers in processors
  • Enables selective updating of stored information

Control Signal Operation

LOAD Operation Next State Description
0 Hold Q = Current Value Data preserved, inputs ignored
1 Load Q = D (New Data) New data loaded on clock edge

PIPO Register Example

Scenario: 4-bit parallel register with inputs P₃P₂P₁P₀ = 1010

LOAD = 1, Clock Edge:

  • All flip-flops load simultaneously
  • Q₃ = P₃ = 1, Q₂ = P₂ = 0, Q₁ = P₁ = 1, Q₀ = P₀ = 0
  • Result: Register stores 1010 in one clock cycle

LOAD = 0, Clock Edge:

  • All flip-flops retain previous values
  • Parallel inputs P₃P₂P₁P₀ are ignored
  • Register continues to hold 1010

This parallel operation is much faster than serial loading, making it ideal for processor registers and data storage applications.

Applications

  • Processor registers with selective updating
  • Accumulator registers in arithmetic units
  • Status registers in control systems
  • Configuration registers in digital systems

Shift Registers

Shift registers are sequential circuits that can move data in a specific direction (left or right) with each clock pulse. They are fundamental building blocks for serial data transmission, data conversion, and arithmetic operations like multiplication and division.

Types of Shift Registers

1. Serial-In-Serial-Out (SISO)

  • Data enters serially at one end
  • Data exits serially from the other end
  • Functions as a delay line

2. Serial-In-Parallel-Out (SIPO)

  • Data enters serially
  • All bits available simultaneously at parallel outputs
  • Used for serial-to-parallel conversion

3. Parallel-In-Serial-Out (PISO)

  • Data loaded in parallel
  • Data shifted out serially
  • Used for parallel-to-serial conversion

4. Parallel-In-Parallel-Out (PIPO)

  • Data can be loaded in parallel
  • Data shifted internally
  • Parallel output available at any time

Logic Operation (Right Shift Register)

For a 4-bit right shift register:

Shift Operation: On each clock pulse, data moves one position to the right:

  • Q₀ ← Q₁
  • Q₁ ← Q₂
  • Q₂ ← Q₃
  • Q₃ ← Serial Input

Logic Equations

For a right shift register:

Q0(n+1)=Q1(n)Q_0(n+1) = Q_1(n) Q1(n+1)=Q2(n)Q_1(n+1) = Q_2(n) Q2(n+1)=Q3(n)Q_2(n+1) = Q_3(n) Q3(n+1)=Serial_InputQ_3(n+1) = \text{Serial\_Input}

For a left shift register:

Q3(n+1)=Q2(n)Q_3(n+1) = Q_2(n) Q2(n+1)=Q1(n)Q_2(n+1) = Q_1(n) Q1(n+1)=Q0(n)Q_1(n+1) = Q_0(n) Q0(n+1)=Serial_InputQ_0(n+1) = \text{Serial\_Input}

Key Features

  • Sequential data movement with each clock pulse
  • Bidirectional operation possible (left or right shift)
  • Can function as delay lines
  • Essential for serial communication
  • Used in arithmetic operations

Example Operation (4-bit Right Shift)

Clock Serial Input Q₃ Q₂ Q₁ Q₀ Serial Output
0 - 1 0 1 1 -
1 0 0 1 0 1 1
2 1 1 0 1 0 1
3 0 0 1 0 1 0

Step-by-Step SISO Operation

Initial State: Register contains 1011 (Q₃Q₂Q₁Q₀)

Clock Pulse 1 (Serial Input = 0):

  • New bit 0 enters Q₃
  • Q₃ → Q₂, Q₂ → Q₁, Q₁ → Q₀
  • Result: 0101, Serial Output = 1

Clock Pulse 2 (Serial Input = 1):

  • New bit 1 enters Q₃
  • Data shifts right again
  • Result: 1010, Serial Output = 1

This demonstrates how data moves through the register with each clock pulse, creating a delay line effect.

Applications

  • Serial communication systems (UART, SPI)
  • Data conversion between serial and parallel formats
  • Digital signal processing applications
  • Multiplication and division circuits
  • Pseudo-random number generators

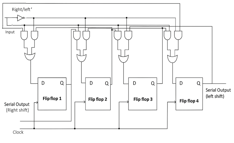
Bidirectional Shift Register

Bidirectional Shift Register Circuit Diagram

Figure 3: Bidirectional Shift Register circuit diagram showing multiplexer-based control for left/right shift operations. Reference: Advanced sequential processing implementation

A bidirectional shift register can shift data in either direction (left or right) based on a control signal. This versatility makes it useful in applications requiring flexible data movement and arithmetic operations.

Logic Operation

The register operates in three modes based on control signals:

  • Right Shift (DIR = 0): Data shifts from left to right (MSB to LSB)
  • Left Shift (DIR = 1): Data shifts from right to left (LSB to MSB)
  • Parallel Load: Data can be loaded in parallel when enabled

Control Logic

For each flip-flop position, multiplexers select the appropriate data source:

For Q[i]Q[i]:

  • Right Shift: Input = Q[i+1]Q[i+1]
  • Left Shift: Input = Q[i1]Q[i-1]
  • Parallel Load: Input = D[i]D[i]

Logic Equations

For bit position ii:

Q[i](n+1)={D[i]if LOAD = 1Q[i+1](n)if LOAD = 0, DIR = 0 (Right Shift)Q[i1](n)if LOAD = 0, DIR = 1 (Left Shift) Q[i](n+1) = \begin{cases} D[i] & \text{if LOAD = 1} \\ Q[i+1](n) & \text{if LOAD = 0, DIR = 0 (Right Shift)} \\ Q[i-1](n) & \text{if LOAD = 0, DIR = 1 (Left Shift)} \end{cases}

Key Features

  • Flexible data movement in both directions
  • Multiplexer-based control for direction selection
  • Can perform both logical and arithmetic shifts
  • Essential for arithmetic operations
  • Useful in data manipulation applications

Control Signal Operation

LOAD DIR Operation
1 X Parallel Load
0 0 Right Shift
0 1 Left Shift

Applications

  • Arithmetic operations (multiplication/division by 2)
  • Barrel shifters in processors
  • Data alignment in memory systems
  • Digital signal processing
  • Bit manipulation operations

Register Comparison and Selection

Register Type Control Inputs Primary Function Key Advantage
Basic Storage CLK Data storage Simple, reliable
Parallel Load CLK, LOAD Conditional storage Selective updating
Shift Register CLK, Serial In Serial data processing Data conversion
Bidirectional CLK, LOAD, DIR Flexible shifting Versatile operations

Timing Analysis

Critical Timing Parameters

For all register types, proper timing must be maintained:

  • Setup Time (tsut_{su}): Data must be stable before clock edge
  • Hold Time (tht_h): Data must remain stable after clock edge
  • Clock-to-Output Delay (tpdt_{pd}): Propagation delay through flip-flop
  • Maximum Frequency (fmaxf_{max}): fmax=1tpd+tsu+tskewf_{max} = \frac{1}{t_{pd} + t_{su} + t_{skew}}

Clock Skew Considerations

In multi-bit registers, clock skew can cause timing violations:

  • Positive Skew: Clock arrives later at some flip-flops
  • Negative Skew: Clock arrives earlier at some flip-flops
  • Mitigation: Balanced clock distribution networks

Practical Design Considerations

Power Consumption

  • Dynamic Power: Pdynamic=αCloadVDD2fclkP_{dynamic} = \alpha \cdot C_{load} \cdot V_{DD}^2 \cdot f_{clk}
  • Static Power: Leakage current in modern CMOS processes
  • Clock Power: Significant portion due to high fan-out

Noise Immunity

  • Supply Voltage Variations: Affect timing and functionality
  • Ground Bounce: Due to simultaneous switching
  • Cross-talk: Between adjacent signal lines

Design Trade-offs

  • Speed vs. Power: Faster registers consume more power
  • Area vs. Functionality: More features require more silicon area
  • Robustness vs. Performance: Conservative design vs. aggressive timing

Registers as Building Blocks

Registers serve as fundamental building blocks in digital systems and can be combined to create more complex circuits:

Counter Circuits

Registers can be configured with feedback logic to create counters:

  • Binary Counters: Count in binary sequence using T or JK flip-flops
  • Ring Counters: Circular shift of a single '1' bit through shift register
  • Johnson Counters: Modified ring counters with inverted feedback

Memory Systems

Multiple registers can form basic memory structures:

  • Register Files: Collections of registers for processor storage
  • Cache Memory: Fast storage using register arrays with tag and data fields
  • Buffer Memory: Temporary storage for data transfer between different clock domains

Data Path Components

Registers are essential in processor data paths:

  • Pipeline Registers: Store intermediate results between processing stages
  • Accumulator Registers: Store arithmetic operation results
  • Address Registers: Hold memory addresses for data access
  • Instruction Registers: Store the current instruction being executed

Advanced Register Applications

Processor Design

  • Program Counter (PC): Special register storing next instruction address
  • Stack Pointer (SP): Points to top of stack in memory
  • Status Register: Stores processor flags (carry, zero, overflow, etc.)
  • General Purpose Registers: For temporary data storage during computation

Communication Systems

  • Transmit/Receive Buffers: Store data for serial communication
  • Protocol State Machines: Use registers to track communication states
  • Error Detection/Correction: Syndrome registers for ECC codes

Digital Signal Processing

  • Delay Lines: Implement FIR filter structures using shift registers
  • Circular Buffers: For continuous data streaming applications
  • Coefficient Storage: For adaptive filter implementations

Key Design Considerations

Timing Requirements

  • All registers must operate synchronously with the system clock
  • Setup and hold times must be satisfied for reliable operation
  • Clock distribution must minimize skew across large register arrays

Data Width Compatibility

  • Register width must match the data path requirements
  • Bus interface standards (8-bit, 16-bit, 32-bit, 64-bit)
  • Endianness considerations for multi-byte data storage

Control Logic Design

  • Appropriate control signals for loading and shifting operations
  • Priority encoding for multiple control inputs
  • Reset and initialization capabilities for system startup

Performance Optimization

  • Efficient design to minimize power usage in large register arrays
  • Speed optimization through careful flip-flop selection
  • Area optimization using shared control logic where possible