Applications of Multiplexers

Multiplexers can also be referred to as universal circuit builders. State True or False.
Explanation

Explanation

Explanation

Explanation

Explanation

Explanation

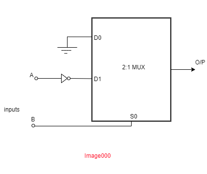
A 2:1 Multiplexer is connected as shown in figure image000. What output Boolean expression is implemented by the circuit?
Explanation

Explanation

Explanation

Explanation

Explanation

Explanation

Explanation

Explanation

Refer to the figure in image000. If the inputs A and B are set to 00, what is the expected output Y?
Explanation

Explanation

Explanation

Explanation

Explanation

Explanation

Refer to the figure in image000.If the inputs A and B are set to 11, what is the expected output Y?
Explanation

Explanation

Explanation

Explanation

Explanation

Explanation

Refer to the figure in image000.If the inputs A and B are set to 10, what is the expected output Y?
Explanation

Explanation

Explanation

Explanation

Explanation

Explanation