Digital-to-Analog Converter

Introduction

A Digital-to-Analog Converter (DAC) is an electronic device that transforms digital data into a continuous analog signal in the form of voltage or current. In microcontroller-based applications, DACs play a vital role in generating analog waveforms such as audio signals, ramp signals, and control voltages for interfacing with analog systems. Among the widely used DAC integrated circuits are the DAC0808, which provides an 8-bit resolution with current output, and the DAC0832, which is also an 8-bit DAC but includes an internal latch for better interfacing with microcontrollers.

Working Principle of DAC0808

The DAC0808 is an 8-bit digital-to-analog converter that produces an output current proportional to the digital binary value applied at its input pins. The output current is mathematically expressed as:

Iout = Iref × (Digital Input / 256)

Here, Iref is the reference current, determined by the applied reference voltage and resistor network. Since the DAC0808 inherently produces a current output, an operational amplifier configured as a current-to-voltage converter (transimpedance amplifier) is used to obtain the corresponding analog voltage. This allows the microcontroller to generate precise and controllable analog signals from digital data.

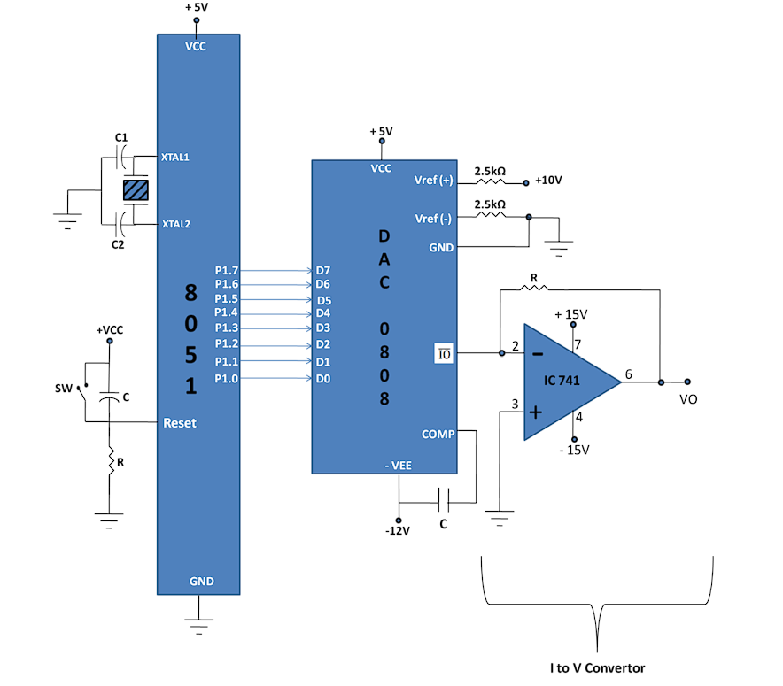
8051 Microcontroller

The 8051 microcontroller is a versatile and widely used 8-bit microcontroller in embedded systems. It features four 8-bit parallel I/O ports (P0, P1, P2, and P3), which can be used for digital interfacing with external devices such as DACs. In addition, it includes on-chip timers and an oscillator for precise timing operations, making it suitable for signal generation tasks. The ability to connect with external memory and peripherals further enhances its utility in complex applications requiring analog waveform generation.

Generating a Ramp Waveform

A ramp waveform, also referred to as a sawtooth waveform, is a signal that increases linearly with time and then resets to its initial value to repeat the cycle. To generate a ramp using the DAC and 8051, the microcontroller sends a sequence of increasing binary values from 0 to 255 to the DAC input lines. The DAC converts these binary values into corresponding analog voltages, thereby forming a staircase approximation of a linear ramp. The smoothness and speed of the ramp depend on how quickly the microcontroller updates the DAC inputs. If required, a simple RC filter can be connected at the DAC output to smooth out the discrete steps and produce a clean linear ramp waveform.

Circuit Connections

The DAC inputs (D0–D7) are connected to one complete 8-bit port of the 8051, such as Port 1, allowing the microcontroller to send binary values directly to the DAC. The DAC output, being a current, is connected to the inverting input of an operational amplifier configured as a transimpedance amplifier to convert it into a usable voltage signal. The reference voltage pins (Vref+ and Vref-) determine the full-scale output range of the DAC. Finally, an RC filter may be added at the output of the op-amp to smooth out any staircase effect in the analog waveform, ensuring a continuous and clean signal.

DAC Interfacing with 8051

Fig. 1 – DAC Interfacing with 8051 Microcontroller

Applications

Digital-to-Analog Converters are used in numerous real-world applications. They are essential for signal generation tasks such as ramps, sine waves, and arbitrary waveforms. In control systems, DACs provide digital control of analog devices, for example in motor speed regulation and light dimming. They are also used in audio waveform synthesis for generating tones or music signals, and in function generators to produce different types of test waveforms. This makes the DAC a critical component in both measurement and signal-processing systems.