Analysis and Synthesis of Arithmetic Expressions using Adders/Subtractors 
Procedure
Please follow these steps to do the experiment
- At first click on the Vcc switch that means Vcc = 1 and GND = 0 , show message Vcc & GND properly connected.
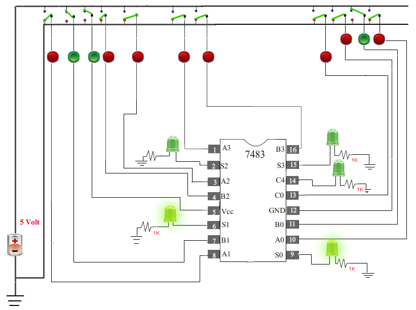
- Next, A0= 1, A1= 0, A2= 0, A3= 0 and B0= 1, B1= 0, B2= 0, B3= 0 now you can see the output result of S0= 0, S1= 1, S2= 0, S3= 0 and C4= 0.
- Next, A0= 0, A1= 0, A2= 0, A3= 0 and B0= 1, B1= 1, B2= 0, B3= 0 now you can see the output result of S0= 1, S1= 1, S2= 0, S3= 0 and C4= 0.
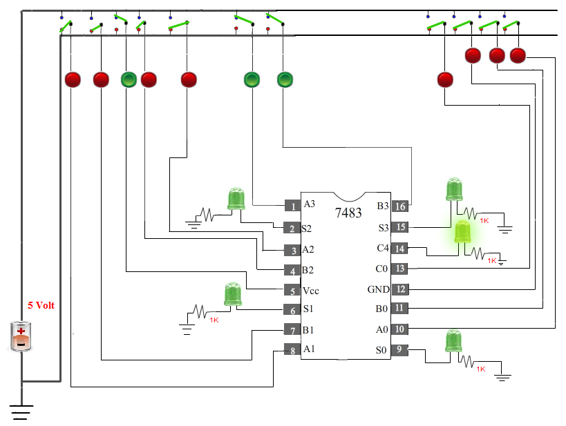
4. Next, A0= 0, A1= 0, A2= 0, A3= 1 and B0= 0, B1= 0, B2= 0, B3= 1 now you can see the output result of S0= 0, S1= 0, S2= 0, S3= 0 and C4= 1.
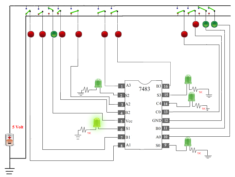
- Next, A0= 1, A1= 1, A2= 1, A3= 1 and B0= 1, B1= 1, B2= 1, B3= 1 now you can see the output result of S0= 0, S1= 1, S2= 1, S3= 1 and C4= 1.