INSTRUCTION
TRUTH TABLE
| Clock | J | K | Q | \(Q_{t+1}\) | Action |
|---|
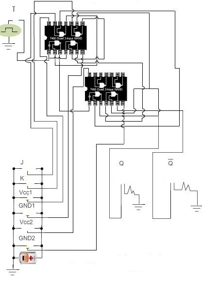
CIRCUIT DIAGRAM
Connect Vcc1
Connect Vcc2
Please disconnect GND 1
Please disconnect GND 2