Analysis and Synthesis of Multi-bit Sequential Circuits using Shift Register
INSTRUCTION
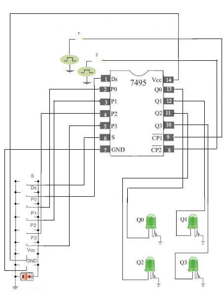
- Apply \(V_{CC}\) , so that "clock start" button for the clock pulse will be enabled (CP1) . Apply low level voltage to ground(GND) .
- Next, apply low voltage to the mode control input (S) and start the clock pulse(CP1).
Now the serial input Ds is enabled.
The input at \(D_{s}\) will be shifted right to the outputs \(Q_{0}\), \(Q_{1}\), \(Q_{2}\), \(Q_{3}\) at negetive transition of CP1.
All the parallel inputs \(P_{0}\), \(P_{1}\), \(P_{2}\), \(P_{3}\) are disabled
- Now apply high voltage to \(D_{s}\) input and set no of clock pulses to 1. See that the input will be shifted to \(Q_{0}\) output at negetive clock edge.
- Next, start the clock pulse again. See the input is now shifted to the output \(Q_{1}\).
- Again start the clock pulse and see the input is shifted to the output \(Q_{2}\)
- Start the clock pulse again. Now see that at fouth clock pulse input is shifted to the output \(Q_{3}\).
- Apply high voltage to the mode control input (s).
Now the "Clock Start" button for the second clock pulse (CP2) is enabled.
Parallel inputs \(P_{0}\), \(P_{1}\), \(P_{2}\), \(P_{3}\) are enabled.
These parallel inputs are directly loaded to the outputs \(Q_{0}\), \(Q_{1}\), \(Q_{2}\), \(Q_{3}\) respectively.
- Start the clock pulse (CP2).After generation of some clock pulses stop the clock by clicking in "Clock Stop" button.
- Now apply high voltage to \(P_{0}\) input and set no of clock pulses to 1. See \(P_{0}\) input is directly loaded to the output \(Q_{0}\).
- Next, apply high voltage to \(P_{1}\) and start the clock pulse. \(P_{1}\) input is directly loaded to \(Q_{1}\).
- Next, apply high voltage to \(P_{2}\) and start the clock pulse. \(P_{2}\) input is directly loaded to \(Q_{2}\).
- Now apply high voltage to \(P_{3}\) and start the clock pulse. \(P_{3}\) input is directly loaded to \(Q_{3}\).
- Click button "Plot" to see the graphical representation of shift register.
- Note: Red symbolize as Low (L), Green symbolize as High(H).
TRUTH TABLE
| Operating mode |
Inputs |
Outputs |
| \(S_{}\) |
\(CP_{1}\) |
\(CP_{2}\) |
\(D_{s}\) |
\(P_{n}\) |
\(Q_{0}\) |
\(Q_{1}\) |
\(Q_{2}\) |
\(Q_{3}\) |
| Shift |
\(L_{}\) |
# |
\(X_{}\) |
\(I_{}\) |
\(X_{}\) |
\(L_{}\) |
\(Q_{0}\) |
\(Q_{1}\) |
\(Q_{2}\) |
| \(L_{}\) |
# |
\(X_{}\) |
\(H_{}\) |
\(X_{}\) |
\(H_{}\) |
\(Q_{0}\) |
\(Q_{1}\) |
\(Q_{2}\) |
| Parallel Load |
\(H_{}\) |
\(X_{}\) |
# |
\(X_{}\) |
\(P_{n}\) |
\(P_{0}\) |
\(P_{1}\) |
\(P_{2}\) |
\(P_{3}\) |