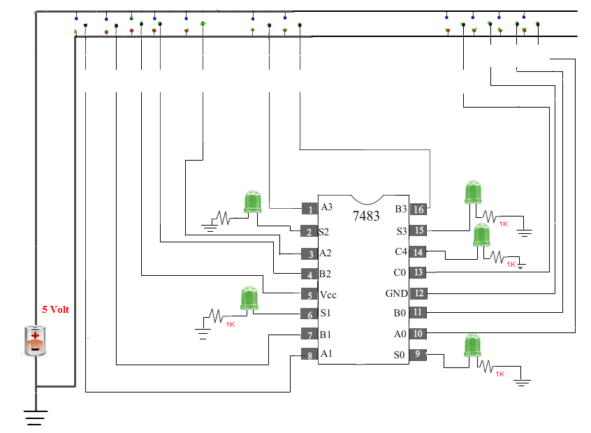
Analysis and Synthesis of 4 bit binary full adder (IC 7483)
INSTRUCTION
- Apply high to VCC and low voltage to ground(GND)
- For all the combinations of the 4 bit inputs A (A3A2A1A0),B (B3B2B1B0) verify that the LEDs are ON or not.
- Note: Red button symbolize as Low (L), Green button symbolize as High(H).
TRUTH TABLE
| A | B | Sum |
| A3 | A2 | A1 | A0 | B3 | B2 | B1 | B0 | C4 | S3 | S2 | S1 | S0 |
A
3A
2A
1A
0 B
3B
2B
1B
0 C
4S
3S
2S
1S
0